热电阻
您所在的位置:首页 > 测温产品 > 热电阻 > 产品详细
铠装热电阻

铠装热电阻除具有装配热电阻的优点外,还具有耐压、抗震、抗污染、性能稳定、能弯曲、热响应时间快等特

点,广泛用于各种工业测温领域。


1、主要技术条件


1)产品型号、测量范围及允差:

 

2)绝缘电阻:

常温绝缘电阻的试验电压可取直流10100V任意值,环境温度在1535℃范围内,相对湿度不小于80%,常温绝

缘电阻值应不小于100 MΩ。

3)热响应时间:                     (4)产品规格:


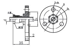
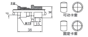
2、安装固定形式

 

①      卡套螺纹 mm

②      卡套法兰 mm

 


3、型号标记及意义


返回
Copyright © 2009-2022 All Rights Reserved   辽公网安备 21011102000214号
辽ICP备19021496号-1 技术支持:沈阳同创科技