热电偶
您所在的位置:首页 > 测温产品 > 热电偶 > 产品详细
铠装热电偶

铠装热电偶是由热电极、外保护管及绝缘层经过特殊工艺制成的坚实体它具有体形细长、能弯曲、耐振动、耐高压、热响应快、使用寿命长等优点,广泛应用于航空、航天、石油、化工、冶金、机械、电力等工业和科技领域。

 

1.     结构形式


 


2.技术指标


1)型号及允差:

2)规格、材质及使用温度

 

注:特殊规格可协议供货

3)热响应时间τ0.5

4)绝缘电阻

①常温绝缘电阻

②升高温度下的绝缘电阻

绝缘型铠装热电偶升高温度下的绝缘电阻应符合下表的规定:

5)长度及公差:

6)测量端形式:


3、标记及意义

 

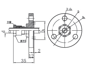
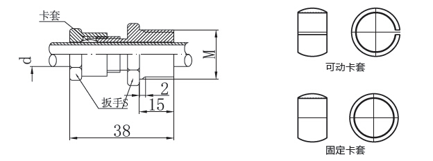
4、固定装置形式

固定装置是供用户安装固定之用,固定卡套式是供用

户一次性固定使用。可动卡套式则便于用户任意更改热电

偶置入深度时多次固定使用。

①      卡套螺纹 mm



②卡套法兰 mm

返回
Copyright © 2009-2022 All Rights Reserved   辽公网安备 21011102000214号
辽ICP备19021496号-1 技术支持:沈阳同创科技